欢迎您进入苏州坚尔达机电有限公司官网!
0512-69593001
15106204555
首页
关于我们
产品中心
新闻中心
荣誉资质
合作伙伴
联系我们
首页
产品中心
产品中心
抗震支架
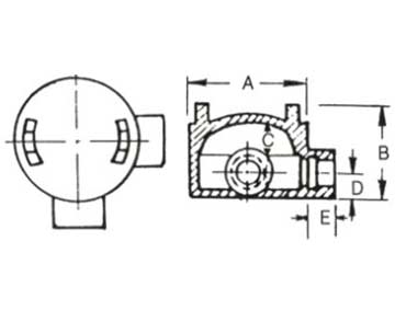
铸铁穿线盒
欧文斯科宁建筑系统
消防管道配件
镀锌管
GL型
上一个:
GD型
下一个:
GT型
151-0620-4555
首页
一键拨号
联系我们
返回顶部